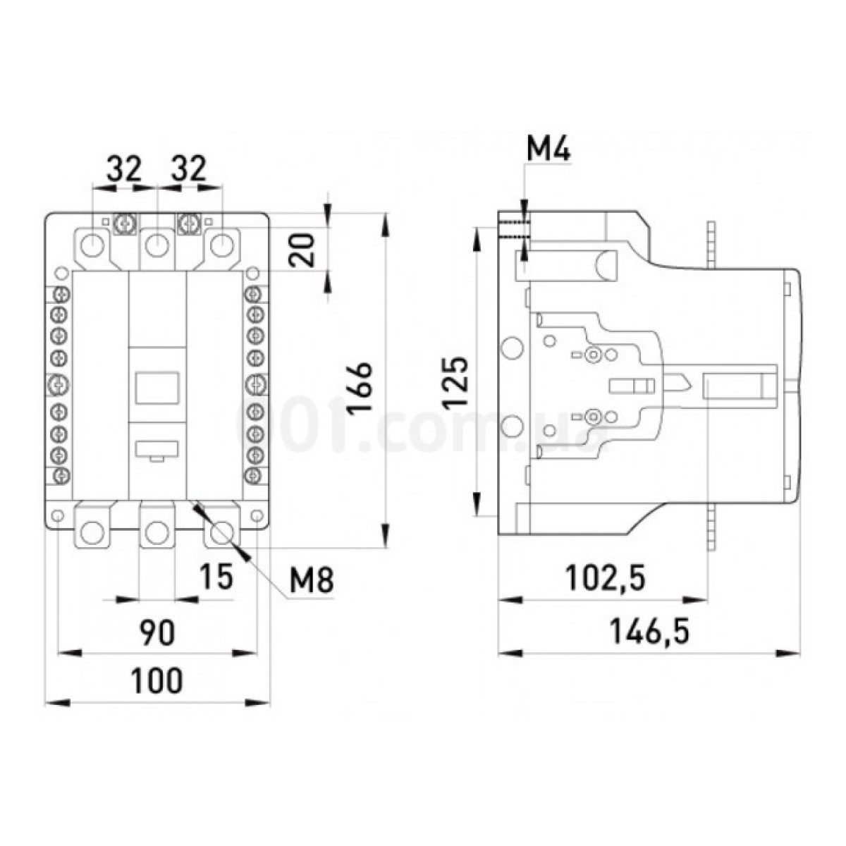
Контактор e.industrial.ukc.120.220, 120 А 220 В/AC 1НО+1НЗ, E.NEXT
Описание товара
Контакторы E.NEXT серии e.industrial.ukc предназначены для применения в схемах управления низковольтным электроприводом для пуска, останова и реверсирования трехфазных асинхронных электродвигателей с короткозамкнутым ротором, а также управления цепями освещения, активными и слабоиндуктивными нагрузками.
Соответствуют Техническим регламентам безопасности низковольтного электрического оборудования и электромагнитной совместимости оборудования в части ДСТУ IEC 60947-4-1:2009, ДСТУ IЕC 61000-6-2:2008, ДСТУ IЕC 61000-6-4:2009.
Конструкция и принцип действия
В отключенном положении, когда напряжение с катушки управления снято, подвижная система под действием пружины находится в нормальном положении. Контактор включают путем подачи напряжения на катушку управления. В катушке создается магнитный поток, который притягивает подвижную часть магнитопровода с траверсой с подвижными силовыми контактами, к неподвижной, и замыкает силовые контакты. Одновременно силовыми контактами замыкаются дополнительные контакты, которыми можно шунтировать контакты кнопки «Пуск» контактора. Контактное нажатие осуществляется пружиной. На неподвижной части магнитопровода установлен короткозамкнутый виток из немагнитного материала, который предотвращает залипание и детонацию (дребезг) контактов.
Отключение контактора происходит после обесточивания катушки управления под действием отключающей пружины.
Технические характеристики
Номинальное рабочее напряжение Ue, В | 400 (660) | |
Номинальная частота, Гц | 50 | |
Номинальный рабочий ток Ie, A | Категория применения АС-3 | 120 |
Категория применения АС-1 | 150 | |
Номинальная мощность управляемого двигателя по АС-3, кВт | 230 В | 37 |
400 В | 60 | |
660 В | 60 | |
Количество полюсов | 3 | |
Тип и количество дополнительных контактов | 1з+1р (1НО+1НЗ) | |
Категория применения | AС-3 | |
Напряжение изоляции Ui, В | 690 | |
Импульсное выдерживаемое напряжение (1,2/50) Uimp, кВ | 8 | |
Максимальная кратковременная перегрузка (t≤1c) , А | 18 Ie | |
Номинальное напряжение катушки управления Uc, В | 230 | |
Диапазон напряжения катушки управления, В | Замыкание | (0,8...1,1) Uc |
Размыкание | (0,3...0,6) Uc | |
Степень защиты | IP00 | |
Электрическая изностойкость, циклов В/О, млн. не менее | Категория применения АС-3 | 0,45 |
Категория применения АС-1 | 0,6 | |
Механическая изностойкость, циклов В/О, млн. не менее | 0,75 | |
Мощность потребления катушки управления, ВА | при включении cosφ=0,75" | 298 |
при удержании cosφ=0,3" | 12,3 | |
Время срабатывания, мс | включение | 37-41 |
отключение | 47-52 | |
Мощность рассеяния, Вт | 4,4 | |
Диапазон рабочих температур, °С | -25...+40 | |
Климатическое исполнение | УХЛ4 | |
Группа условий эксплуатации в части воздействия механических факторов | М3 | |
Высота над уровнем моря, не более, м | 2 000 | |
Допустимая относительная влажность при 25°С (без конденсации), не более | 80% | |
Степень загрязнения среды | 3 | |
Рабочее положение в пространстве | Произвольное | |
Монтаж | На монтажной панели |
- Доставка
- Самовывоз (Киев, Днепр) - бесплатно
- Доставка по Киеву - бесплатно
- Курьер Новая почта - оплата услуг перевозчика
- Самовывоз из Новой почты - оплата услуг перевозчика
- Оплата
- Оплата при получении
- Оплата картой по реквизитам
- Безналичный расчёт без НДС
- Безналичный расчёт с НДС
- Оплата картой онлайн
- Гарантия
- Официальная - 12 месяцев
- Обмен/Возврат - 14 дней